| Availability: | |
|---|---|
| Quantity: | |
Model :US-GBT
USUN
Model:US-GBT
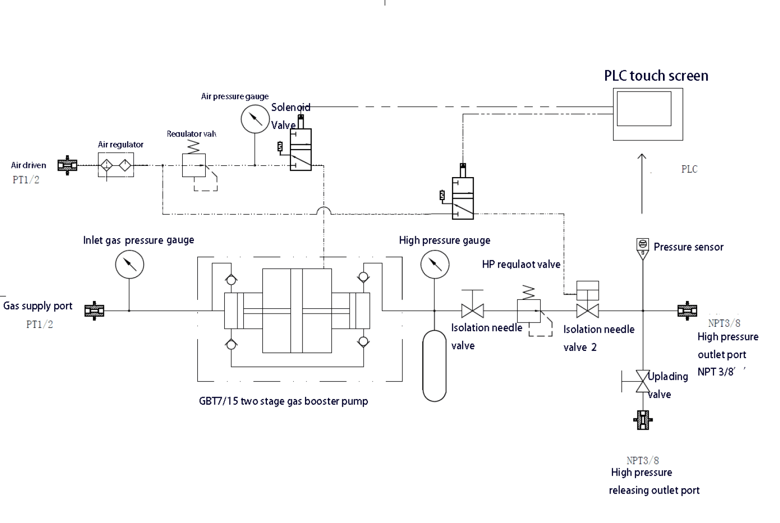
USUN Model :US-GBT-A 160MM driven two stage air gas booster station with pressure gauges
valves and fittings ,tubes and PLC touch screen for easy gas pressure testing
Usun air driven gas booster pumps are ratio devices that utilize low pressure compressed
air driving a larger diameter piston (area x pressure) which is linearly connected to a smaller
hydraulic piston/plunger. Using this ratio principal, a higher hydraulic pressure can be generated.
Usun Pump model numbers reflect the pumps nominal pressure ratio, while the technical data
indicates exact ratios. The outlet stall pressure is easy to set by adjusting the air drive pressure
through a simple air pressure regulator. By multiplying the pressure ratio by the available shop
air pressure, the nominal gas pressure can be calculated.
Example ( Pump Model: GBD25 Gas booster pump)
Air drive piston area ( 160mm Ø)
Hydraulic plunger area (32mm Ø)
Actual ratio = 25:1
1. AIR DRIVE SECTION
The air drive section consists of a light weight piston complete with seals running inside an
aluminum barrel. The diameter of the air piston is 160mm. When compressed air is supplied to
the pump the air pushes the air piston down on a compression stroke
(forces as out of the gas end).
Under the control of pilot pins (poppet valve) triggered at each end of the stroke
2. GAS DRIVEN SECTION
The gas section of a USUN air driven gas booster consisit of 4 main pieces
,the gas barrel ,the piston the check valves and the main high pressure seals .
The gaspiston is directly linked to the air piston and it is housedinside the gas barrel
and its movements up and down creates the gas flow into and out of the booster through
the check valves .
The check valves are psring loaded and on the suction stroke .the inlet check valve
opens to the maximum allowing gas into the gas barrel and on the compression stroke
the inlet check valve closes the discharge check valve opens forcing the pumped gas
into the process .
The main high pressure seals is located on the gas piston and they seal agaist the gas
barrel during operation . and the maximum pressures of the pump ,however the
standard PTFE seals are suitable for both the vast majority of gases encountered .
Other materials of construction can be supplied to meet more aggresive services
.The standard serials of booster are not suitable for underground coal mine applications .
USUN DO Manufacture models of air driven gas boosters
that are not suitable for underground coal mine applications .
USUN Air driven gas boosters cycle automatically as the outlet pressure increass the
resistance also increases and the cycle rate decreases until the pump stops automatically
when the out put pressure forces are equal .This is refered to as the stall condition .
The pump will restart with a slight drop in the outllet pressure or an increase in the
air driven pressure .
Booster performance can be affected by a number of conditions ,
such as freezing of the exhaust muffler or pilot valves ( Which is caused by moisture in
air lines ),inadequate inlet air line sizes and dirty filers .When operating the boosters
on a contunuous basis ,we recommend you use a maximum cycle rate of 50-60 cycles per minute .
This will both increase service intervals and assist in preventing ice forming at the exhaust .
An air supply dryer will also assist in reducing icing up .
USUN Gas boosters have a 120mm stroke thus reducing cycle rates at any given flow
and pressure as compared with most other brands . This lower repsective cycle rate res
ults in a reduction in freeze-up condition .
To abtain best overall performance ,do not reduce the indicated port size and consult
USUN for flow conditions not shown in charts
Model selection for gas booster
It is very important to remember that the performance of any air driven device is very dependent on the air supply
conditions .Restrictions in the air supply can be caused by using a too small air compressor or airlines .
The FLOW CHARTS SHOWN in the technical data sheet are based on good conditions .
so please do not "design to the line " allow for losses and inefficiencies
The next question is wheather you want the booster to stall when an outlet pressure is reached
If so ,a simple airline pressure regulator will suffice ,but remember the flow drops off dramatically as the
booster reaches a stall condition .
If you need the pump to stop at a certain pressure ,prior to stall ,then an air pilor switches needs to be installed .
Key features
1. Realiable ,Easy to Maintain ,compact and robust
2. No heat,flame or spark risk
3. Infinitely variable cycling speed and output
4. Air driven Models do not require electrical connection ,easy to apply automatic controls
5. No limit or adverse affect to contineous stop/start applications
6.Seals system designed for long working life,No airline lubricated required
7.Built-in coupling system (Most models) and suitable for most gases boosting
Main technical data
List items | Function |
1) Air regulator valve | Adjustable air regulator used to adjust the air driven pressure ( 0-10 bar) |
2) Air pressure gauge | Indicates the air driven pressure |
3) Gas inlet Pressure gauge | Indicates the inlet gas pressure supply |
4) Gas outlet pressure gauge | Indicates the outlet boosted pressure |
5) Hand drive switch | Used to adjust the system on/off |
6) Inlet needle valve | Used to stop the booster when supply pressure fails to the adjust set point ,can be optional . |
7) Outlet needle valve | Used to stop the booster when outlet pressure reaches the adjusted set point |
8) Uploading needle valve | Used to protect the booster and other components over pressurization and release the high pressure |
9) GBT double Stage gas booster pump | Used to increase the pressure from low pressure to high pressure |
10) Gas filter | Our standard system does not include such part ,if you need ,should inform in advance |
11) High pressure Buffer tank | It does include the system and should be informed if you need it |
12) High pressure safety valve on output | It does not include the standard system and should be informed if you need it |
Typical technical data for air driven gas booster pump
| Model | Piston rod diameter | Pressure ratio | Minimum inlet pressure PI(Bar) | Maximum inlet pressure PI (PO ) | Maximum Outlet pressure PO(Bar) | Outlet pressure formula PO | Inlet port size | Outlet porst size | Maximum Flow rate L/min= 7 Bar |
| GBT7/15 | 63/40 | 15:1 | 3.4 | 15 | 124 | 15PA+2PI | NPT3/8'' | NPT3/8'' | 215@PI=7 |
| GBT7/30 | 63/28 | 32:1 | 3.4 | 15 | 204 | 32PA+3PI | NPT3/8'' | NPT1/4'' | 118@PI=7 |
| GBT15/30 | 40/28 | 32:1 | 7 | 40 | 204 | 32PA+2PI | NPT3/8'' | NPT1/4'' | 150@PI=10 |
| GBT15/40 | 40/25 | 40:1 | 7 | 45 | 330 | 40PA+ 2PI | NPT3/8'' | NPT1/4'' | 125@PI=10 |
| SBT15/25 | 32/25 | 25:1 | 7 | 40 | 200 | 25PA+2PI | NPT1/4'' | NPT1/4'' | 100@PI=10 |
| SBT15/40 | 32/20 | 40:1 | 7 | 45 | 330 | 40PA+ 2PI | NPT1/4'' | NPT1/4'' | 90@PI=10 |
| GBT15/60 | 40/20 | 60:1 | 7 | 45 | 498 | 60PA+4PI | NPT3/8' | NPT1/4'' | 92@pi=10 |
| SBT15/60 | 60:1 | 7 | 45 | 498 | NPT1/4'' | NPT1/4'' | 56@PI=10 | ||
| GBT30/60 | 28/20 | 60:1 | 30 | 45 | 498 | 60PA+2PI | NPT3/8'' | NPT1/4'' | 245@PI= 40 |
| GBT30/100 | 28/16 | 100:1 | 30 | 70 | 830 | 100PA+ 3PI | NPT1/4'' | NPT1/4'' | 192 @pi=40 |
Remark 1) Maxium outlet pressure are at an air driven pressure of 8 bar or 116 PSI ,for long life using
of such pump ,we suggest that air driven pressure should be not more than 8 Bar .
Typical application of such Pneumatic driven gas booster pump
USUN Model :US-GBT-A 160MM driven two stage air gas booster station with pressure gauges
valves and fittings ,tubes and PLC touch screen for easy gas pressure testing
Usun air driven gas booster pumps are ratio devices that utilize low pressure compressed
air driving a larger diameter piston (area x pressure) which is linearly connected to a smaller
hydraulic piston/plunger. Using this ratio principal, a higher hydraulic pressure can be generated.
Usun Pump model numbers reflect the pumps nominal pressure ratio, while the technical data
indicates exact ratios. The outlet stall pressure is easy to set by adjusting the air drive pressure
through a simple air pressure regulator. By multiplying the pressure ratio by the available shop
air pressure, the nominal gas pressure can be calculated.
Example ( Pump Model: GBD25 Gas booster pump)
Air drive piston area ( 160mm Ø)
Hydraulic plunger area (32mm Ø)
Actual ratio = 25:1
1. AIR DRIVE SECTION
The air drive section consists of a light weight piston complete with seals running inside an
aluminum barrel. The diameter of the air piston is 160mm. When compressed air is supplied to
the pump the air pushes the air piston down on a compression stroke
(forces as out of the gas end).
Under the control of pilot pins (poppet valve) triggered at each end of the stroke
2. GAS DRIVEN SECTION
The gas section of a USUN air driven gas booster consisit of 4 main pieces
,the gas barrel ,the piston the check valves and the main high pressure seals .
The gaspiston is directly linked to the air piston and it is housedinside the gas barrel
and its movements up and down creates the gas flow into and out of the booster through
the check valves .
The check valves are psring loaded and on the suction stroke .the inlet check valve
opens to the maximum allowing gas into the gas barrel and on the compression stroke
the inlet check valve closes the discharge check valve opens forcing the pumped gas
into the process .
The main high pressure seals is located on the gas piston and they seal agaist the gas
barrel during operation . and the maximum pressures of the pump ,however the
standard PTFE seals are suitable for both the vast majority of gases encountered .
Other materials of construction can be supplied to meet more aggresive services
.The standard serials of booster are not suitable for underground coal mine applications .
USUN DO Manufacture models of air driven gas boosters
that are not suitable for underground coal mine applications .
USUN Air driven gas boosters cycle automatically as the outlet pressure increass the
resistance also increases and the cycle rate decreases until the pump stops automatically
when the out put pressure forces are equal .This is refered to as the stall condition .
The pump will restart with a slight drop in the outllet pressure or an increase in the
air driven pressure .
Booster performance can be affected by a number of conditions ,
such as freezing of the exhaust muffler or pilot valves ( Which is caused by moisture in
air lines ),inadequate inlet air line sizes and dirty filers .When operating the boosters
on a contunuous basis ,we recommend you use a maximum cycle rate of 50-60 cycles per minute .
This will both increase service intervals and assist in preventing ice forming at the exhaust .
An air supply dryer will also assist in reducing icing up .
USUN Gas boosters have a 120mm stroke thus reducing cycle rates at any given flow
and pressure as compared with most other brands . This lower repsective cycle rate res
ults in a reduction in freeze-up condition .
To abtain best overall performance ,do not reduce the indicated port size and consult
USUN for flow conditions not shown in charts
Model selection for gas booster
It is very important to remember that the performance of any air driven device is very dependent on the air supply
conditions .Restrictions in the air supply can be caused by using a too small air compressor or airlines .
The FLOW CHARTS SHOWN in the technical data sheet are based on good conditions .
so please do not "design to the line " allow for losses and inefficiencies
The next question is wheather you want the booster to stall when an outlet pressure is reached
If so ,a simple airline pressure regulator will suffice ,but remember the flow drops off dramatically as the
booster reaches a stall condition .
If you need the pump to stop at a certain pressure ,prior to stall ,then an air pilor switches needs to be installed .
Key features
1. Realiable ,Easy to Maintain ,compact and robust
2. No heat,flame or spark risk
3. Infinitely variable cycling speed and output
4. Air driven Models do not require electrical connection ,easy to apply automatic controls
5. No limit or adverse affect to contineous stop/start applications
6.Seals system designed for long working life,No airline lubricated required
7.Built-in coupling system (Most models) and suitable for most gases boosting
Main technical data
List items | Function |
1) Air regulator valve | Adjustable air regulator used to adjust the air driven pressure ( 0-10 bar) |
2) Air pressure gauge | Indicates the air driven pressure |
3) Gas inlet Pressure gauge | Indicates the inlet gas pressure supply |
4) Gas outlet pressure gauge | Indicates the outlet boosted pressure |
5) Hand drive switch | Used to adjust the system on/off |
6) Inlet needle valve | Used to stop the booster when supply pressure fails to the adjust set point ,can be optional . |
7) Outlet needle valve | Used to stop the booster when outlet pressure reaches the adjusted set point |
8) Uploading needle valve | Used to protect the booster and other components over pressurization and release the high pressure |
9) GBT double Stage gas booster pump | Used to increase the pressure from low pressure to high pressure |
10) Gas filter | Our standard system does not include such part ,if you need ,should inform in advance |
11) High pressure Buffer tank | It does include the system and should be informed if you need it |
12) High pressure safety valve on output | It does not include the standard system and should be informed if you need it |
Typical technical data for air driven gas booster pump
| Model | Piston rod diameter | Pressure ratio | Minimum inlet pressure PI(Bar) | Maximum inlet pressure PI (PO ) | Maximum Outlet pressure PO(Bar) | Outlet pressure formula PO | Inlet port size | Outlet porst size | Maximum Flow rate L/min= 7 Bar |
| GBT7/15 | 63/40 | 15:1 | 3.4 | 15 | 124 | 15PA+2PI | NPT3/8'' | NPT3/8'' | 215@PI=7 |
| GBT7/30 | 63/28 | 32:1 | 3.4 | 15 | 204 | 32PA+3PI | NPT3/8'' | NPT1/4'' | 118@PI=7 |
| GBT15/30 | 40/28 | 32:1 | 7 | 40 | 204 | 32PA+2PI | NPT3/8'' | NPT1/4'' | 150@PI=10 |
| GBT15/40 | 40/25 | 40:1 | 7 | 45 | 330 | 40PA+ 2PI | NPT3/8'' | NPT1/4'' | 125@PI=10 |
| SBT15/25 | 32/25 | 25:1 | 7 | 40 | 200 | 25PA+2PI | NPT1/4'' | NPT1/4'' | 100@PI=10 |
| SBT15/40 | 32/20 | 40:1 | 7 | 45 | 330 | 40PA+ 2PI | NPT1/4'' | NPT1/4'' | 90@PI=10 |
| GBT15/60 | 40/20 | 60:1 | 7 | 45 | 498 | 60PA+4PI | NPT3/8' | NPT1/4'' | 92@pi=10 |
| SBT15/60 | 60:1 | 7 | 45 | 498 | NPT1/4'' | NPT1/4'' | 56@PI=10 | ||
| GBT30/60 | 28/20 | 60:1 | 30 | 45 | 498 | 60PA+2PI | NPT3/8'' | NPT1/4'' | 245@PI= 40 |
| GBT30/100 | 28/16 | 100:1 | 30 | 70 | 830 | 100PA+ 3PI | NPT1/4'' | NPT1/4'' | 192 @pi=40 |
Remark 1) Maxium outlet pressure are at an air driven pressure of 8 bar or 116 PSI ,for long life using
of such pump ,we suggest that air driven pressure should be not more than 8 Bar .
Typical application of such Pneumatic driven gas booster pump